『900X緊急關閉閥』供應商,本司供應的【緊急關閉閥】質量先行、價格合理、售后服務較完善。『900X緊急關閉閥』適用于輕重工業及樓宇管道。流體前進的道路上,讓閩太閥門為您排憂解難!【水力控制閥】可應用于:化工、石化、石油、造紙、采礦、電力、液化氣、食品、制藥、給排水、市政、機械設備配套、電子工業,城建等領域。 產品名稱 | 900X緊急關閉閥 | 產品型號 | 900X | 公稱通徑 | DN40-600mm | 壓力范圍 | 1.0-2.5MPa | 閥體材質 | 鑄鐵、球墨鑄鐵、鑄鋼、不銹鋼 |
產品概述: 900X緊急關閉閥是一種用于消防用水與生活用水并聯的供水系統中,用來調配供水方向的閥門。當火災發生時,消防急需大量用水,切斷生活用水,的消防用水;當消防停止用水壓力減小時,閥門自動打開,呈常開狀態,恢復生活供水。該閥使系統不用另設消防單獨供水管網,節約了建設成本和用水量。閥門控制靈敏度高,調試簡便,使用長。 技術參數: 公稱壓(Mpa) | 殼體試驗壓力(MPa) | 密封試驗壓力(MPa) | 適用介質 | 介質溫度(℃) | 1.0 | 1.5 | 1.1 | 水 | 0-80 | 1.6 | 2.4 | 1.76 | 2.5 | 3.75 | 2.75 |
零部件材料: 零件名稱 | 零件材料 | 閥體 閥蓋 | WCB | 閥座 閥盤 | 銅合金 | 密封圈 O型圈 | 丁腈橡膠 | 閥桿 | 2Cr13 | 彈簧 | 50CrVA | 針型閥 | 銅合金 | 球閥 | 銅合金 | 浮球閥 | 銅合金 | 微型過濾器 | 不銹鋼 |
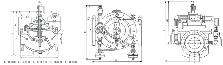
結構圖: 
主要連接尺寸: DN | L | F1 | F | H1 | H | 40 | 200 | 155 | 330 | 278 | 395 | 50 | 203 | 155 | 330 | 278 | 395 | 65 | 213 | 165 | 350 | 298 | 405 | 80 | 241 | 175 | 365 | 313 | 430 | 100 | 272 | 195 | 410 | 350 | 510 | 125 | 300 | 220 | 455 | 365 | 560 | 150 | 333 | 230 | 475 | 420 | 585 | 200 | 400 | 255 | 530 | 450 | 675 | 250 | 480 | 300 | 523 | 470 | 730 | 300 | 550 | 340 | 700 | 490 | 760 | 350 | 620 | 415 | 840 | 526 | 840 | 400 | 685 | 430 | 880 | 570 | 910 | 450 | 750 | 430 | 880 | 570 | 910 | 500 | 810 | 410 | 880 | 750 | 1110 | 600 | 935 | 456 | 888 | 850 | 1286 |
安裝示意圖: 
【水利控制閥】就是水壓控制的閥門_水力控制閥由一個主閥及其附設的導管﹑導閥﹑針型閥﹑球閥和壓力表等組成。根據使用目的﹑功能及場所的不同可演變成遙控浮球閥﹑減壓閥﹑緩閉止回閥﹑流量控制閥﹑泄壓閥﹑水力電動控制閥、水泵控制閥、壓差旁通閥、緊急關閉閥。
|